Descrizione
Mini Modulo Ethernet LAN con ENC28J60 per Arduino e PIC 51 AVR SPI PIC STM32 LPC
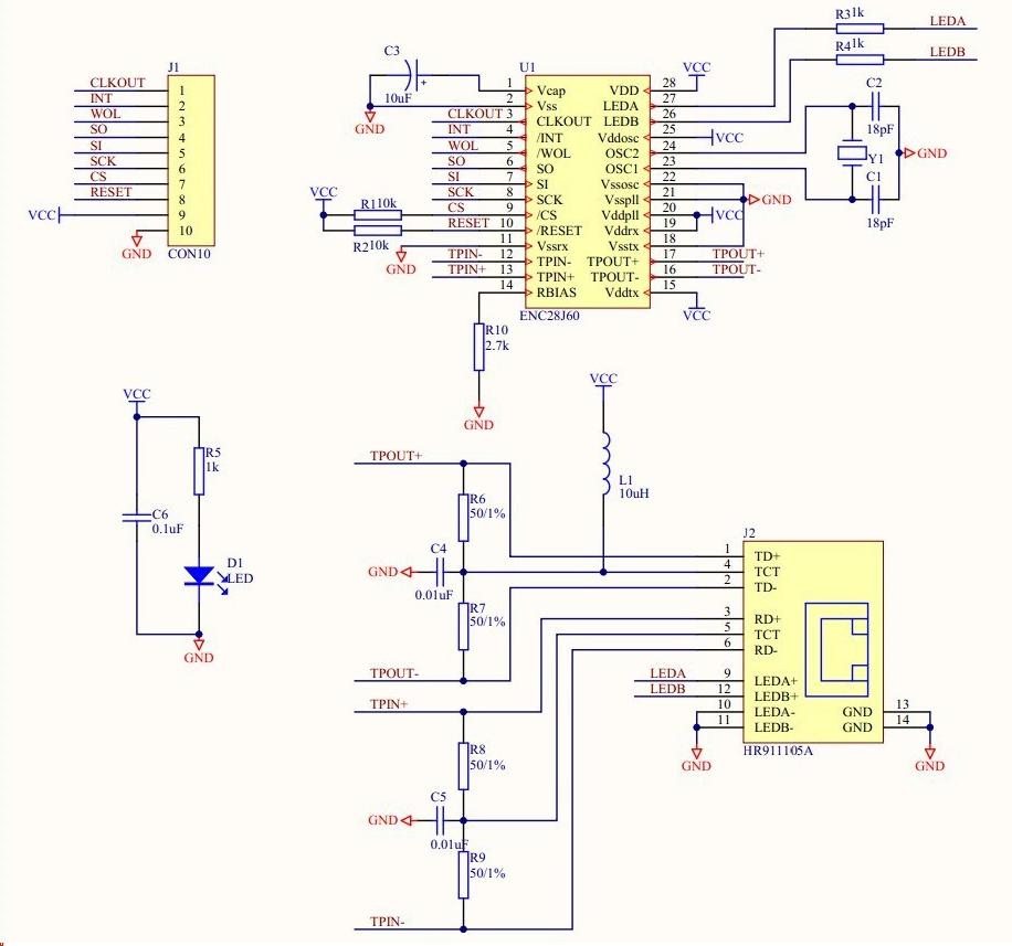
chip ENC28J60 / SS.
il cristallo di bordo 25MHZ.
la scheda di interfaccia di rete HR911105A.
3,3 V pin di alimentazione.
Dimensioni: 5.cm x 2cm x 1.5cm / 1..92”x0.72 ”
Peso: 11 g









