Descrizione
[vc_row][vc_column][vc_column_text]
🌡️ Modulo Sensore Termico di Temperatura NTC Regolabile – Descrizione Completa
✅ Cos’è un sensore NTC?
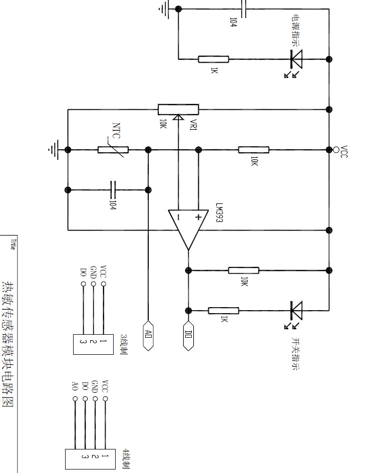
Il sensore NTC (Negative Temperature Coefficient) è un tipo di termistore, cioè un resistore la cui resistenza diminuisce con l’aumentare della temperatura. Questo modulo consente di leggere la temperatura ambiente o di un oggetto e, grazie a un trimmer integrato, permette di regolare una soglia di attivazione su una uscita digitale.
🧩 Caratteristiche del modulo
| Caratteristica | Dettaglio |
|---|---|
| Tipo sensore | Termistore NTC |
| Interfaccia | Analogica (A0) e Digitale (D0) |
| Alimentazione | 3.3V – 5V |
| Regolazione soglia | Trimmer integrato per l’uscita digitale |
| Uscita digitale | Attiva (LOW o HIGH) oltre soglia regolata |
| LED di stato | Indica se la temperatura ha superato la soglia |
| Applicazioni | Termostati, allarmi di temperatura, controllo relè |
📌 NTC = Negative Temperature Coefficient → più fa caldo, meno resistenza.
🔌 Collegamento del modulo a Arduino
🧰 Materiale necessario:
- Arduino Uno/Nano
- Modulo sensore termico NTC
- Cavi jumper
- Breadboard (opzionale)
🖇️ Schema di collegamento
| Pin modulo NTC | Arduino |
|---|---|
| VCC | 5V |
| GND | GND |
| A0 | A0 |
| D0 | D2 |
👨💻 Codice base: lettura temperatura analogica
🎯 Obiettivo:
Leggere la tensione analogica dal sensore per stimare la temperatura (relativa, non precisa in °C senza taratura).
const int pinNTC = A0;
void setup() {
Serial.begin(9600);
}
void loop() {
int valoreAnalogico = analogRead(pinNTC); // da 0 a 1023
float tensione = valoreAnalogico * 5.0 / 1023.0;
Serial.print("Valore ADC: ");
Serial.print(valoreAnalogico);
Serial.print(" | Tensione: ");
Serial.print(tensione, 2);
Serial.println(" V");
delay(500);
}
⚠️ Questo valore rappresenta una misura relativa della temperatura, non un valore diretto in gradi Celsius.
🌡️ Stima della temperatura (opzionale, avanzato)
Puoi convertire il valore letto in temperatura usando la formula di Steinhart-Hart o una curva di calibrazione, se conosci:
- La resistenza nominale dell’NTC (es. 10kΩ @25°C)
- Il coefficiente Beta (B) fornito nel datasheet
Esempio (semplificato, per NTC 10kΩ):
#define PIN_NTC A0
#define R_SERIE 10000 // Resistenza in serie al NTC (10kΩ)
void setup() {
Serial.begin(9600);
}
void loop() {
int adc = analogRead(PIN_NTC);
float tensione = adc * 5.0 / 1023.0;
float resistenzaNTC = (5.0 * R_SERIE / tensione) - R_SERIE;
float tempK = 1.0 / (1.0 / 298.15 + (1.0 / 3950.0) * log(resistenzaNTC / 10000.0));
float tempC = tempK - 273.15;
Serial.print("Temp stimata: ");
Serial.print(tempC, 1);
Serial.println(" °C");
delay(1000);
}
🧪 Questa formula è solo un’approssimazione e richiede un NTC noto (es. 10kΩ B=3950).
🔔 Utilizzo dell’uscita digitale D0
Il modulo fornisce un’uscita digitale (D0) che diventa HIGH o LOW quando la temperatura supera la soglia impostata tramite il trimmer.
🧪 Codice esempio:
#define PIN_DIGITALE 2
#define LED_AVVISO 13
void setup() {
pinMode(PIN_DIGITALE, INPUT);
pinMode(LED_AVVISO, OUTPUT);
Serial.begin(9600);
}
void loop() {
int stato = digitalRead(PIN_DIGITALE);
if (stato == LOW) { // può essere HIGH o LOW a seconda del modulo
digitalWrite(LED_AVVISO, HIGH);
Serial.println("⚠️ Temperatura oltre soglia!");
} else {
digitalWrite(LED_AVVISO, LOW);
Serial.println("✅ Temperatura nella norma.");
}
delay(500);
}
Ruota il trimmer per regolare il punto di intervento del segnale digitale.
🧠 Applicazioni pratiche
- Termostato digitale
- Attivazione relè sopra una soglia termica
- Ventole automatiche in base al calore
- Sensore di sicurezza (contro surriscaldamento)
- Progetti didattici per lo studio delle termoresistenze
📘 Conclusioni
✔️ Facile da usare con Arduino
✔️ Misura la temperatura in modo analogico e digitale
✔️ Può essere tarato con il trimmer
✔️ Utile per controllo e allarme termico
🎓 Presentazione PowerPoint – Sensore di Temperatura NTC per Arduino
🧾 Struttura della presentazione:
🔹 Slide 1 – Titolo
Modulo Sensore di Temperatura NTC Regolabile
Uso con Arduino – Presentazione Didattica
👨🏫 Corso: Elettronica & Automazione
📅 Data: [inserisci data]
📍 A cura di: [tuo nome]
🔹 Slide 2 – Cos’è un NTC?
- NTC = Negative Temperature Coefficient
- Un termistore che diminuisce la resistenza al crescere della temperatura
- Utilizzato per misurare variazioni di temperatura in modo economico
🔹 Slide 3 – Il modulo NTC
- Contiene:
- Sensore NTC
- Trimmer per regolare la soglia
- Comparatori e LED di stato
- Uscite:
- Analogica (A0) → tensione proporzionale alla temperatura
- Digitale (D0) → attiva sopra soglia
🔹 Slide 4 – Caratteristiche tecniche
| Caratteristica | Valore |
|---|---|
| Tensione | 3.3 – 5V |
| Interfaccia | A0 (analogica), D0 (digitale) |
| Trimmer | Regola soglia su uscita D0 |
| Tipo di sensore | NTC |
| Uscita digitale | HIGH/LOW quando soglia superata |
🔹 Slide 5 – Collegamento con Arduino
| Modulo NTC | Arduino |
|---|---|
| VCC | 5V |
| GND | GND |
| A0 | A0 |
| D0 | D2 |
🔹 Slide 6 – Lettura analogica (A0)
int val = analogRead(A0);
float volt = val * 5.0 / 1023.0;
Serial.println(volt);
- Usato per stimare temperatura (relativa)
- Necessaria calibrazione per misure in °C
🔹 Slide 7 – Uscita digitale (D0)
if (digitalRead(D2) == LOW) {
Serial.println("Temperatura sopra soglia");
}
- Trimmer per regolare soglia
- Ideale per accendere relè, LED o ventole
🔹 Slide 8 – Applicazioni pratiche
- Termostato intelligente
- Controllo ventole/relè
- Allarme surriscaldamento
- Monitoraggio ambientale
- Progetti didattici e domotica
🔹 Slide 9 – Alternativa: LM35
- Uscita analogica lineare (10mV/°C)
- Collegamento: OUT → A0
- Nessuna soglia digitale: si calcola direttamente la temperatura in °C
float volt = analogRead(A0) * 5.0 / 1023.0;
float temp = volt * 100;
🔹 Slide 10 – Domande?
❓ Hai dubbi?
📘 Vuoi provare la simulazione su Tinkercad?
📩 Contattami: [email o nome]
✅ Tinkercad – Simulazione con LM35 (alternativa NTC)
Tinkercad non ha un modulo NTC integrato, ma puoi usare il LM35 che è compatibile e molto preciso per simulazioni.
📌 Componenti da usare su Tinkercad:
- Arduino Uno
- Sensore LM35
- Cavi jumper
- LED o buzzer (opzionale)
🖇️ Collegamenti:
| LM35 | Arduino |
|---|---|
| VCC | 5V |
| GND | GND |
| OUT | A0 |
🧪 Codice Arduino per LM35:
const int LM35_PIN = A0;
void setup() {
Serial.begin(9600);
}
void loop() {
int val = analogRead(LM35_PIN);
float volt = val * 5.0 / 1023.0;
float tempC = volt * 100;
Serial.print("Temperatura: ");
Serial.print(tempC);
Serial.println(" °C");
delay(1000);
}
|
GENERALI |
MODELLO |
sensore termico |
|
MATERIALI |
pcb + componenti |
|
|
COMPATIBILITA’ |
ARDUINO |
|
|
COMPONENTI ELETTRICI |
VOLTAGGIO DI INPUT |
3,3-5V |
|
PESO E DIMENSIONI |
PESO DEL PRODOTTO |
7g |
|
PESO DEL PACCHETTO |
0.085 kg |
|
|
DIMENSIONI DEL PRODOTTO (L x W x H) |
4.5 x 1.5 x 1 |
|
| DIMENSIONI DEL PACCHETTO
(L x W x H) |
5 x 3 x 2 cm |
|
|
CONTENUTO DELLA CONFEZIONE |
< span style = “font-size: 8.5pt; font-family: Verdana; color: # 4a4a4a;”> CONTENUTO DELLA CONFEZIONE |
1 x Modulo < / p> |
Abbiamo disponibili la scheda tecnica di tutti i componenti, qualora non fosse presente nella scheda download del prodotto inviaci un messaggio dal modulo contattaci e pubblicheremo la prima possibile nel nostro sito.
< / div>
[/vc_column_text][/vc_column][/vc_row]
















